全國服務熱線
400-875-1500
400-875-1500
銷售熱線:13720093566

掃一掃,添加銷售經理
RSG-2 500V快速熔斷器
庫存料號:RSG-2 500V/500A-PK
描述
RSG系列熔斷器
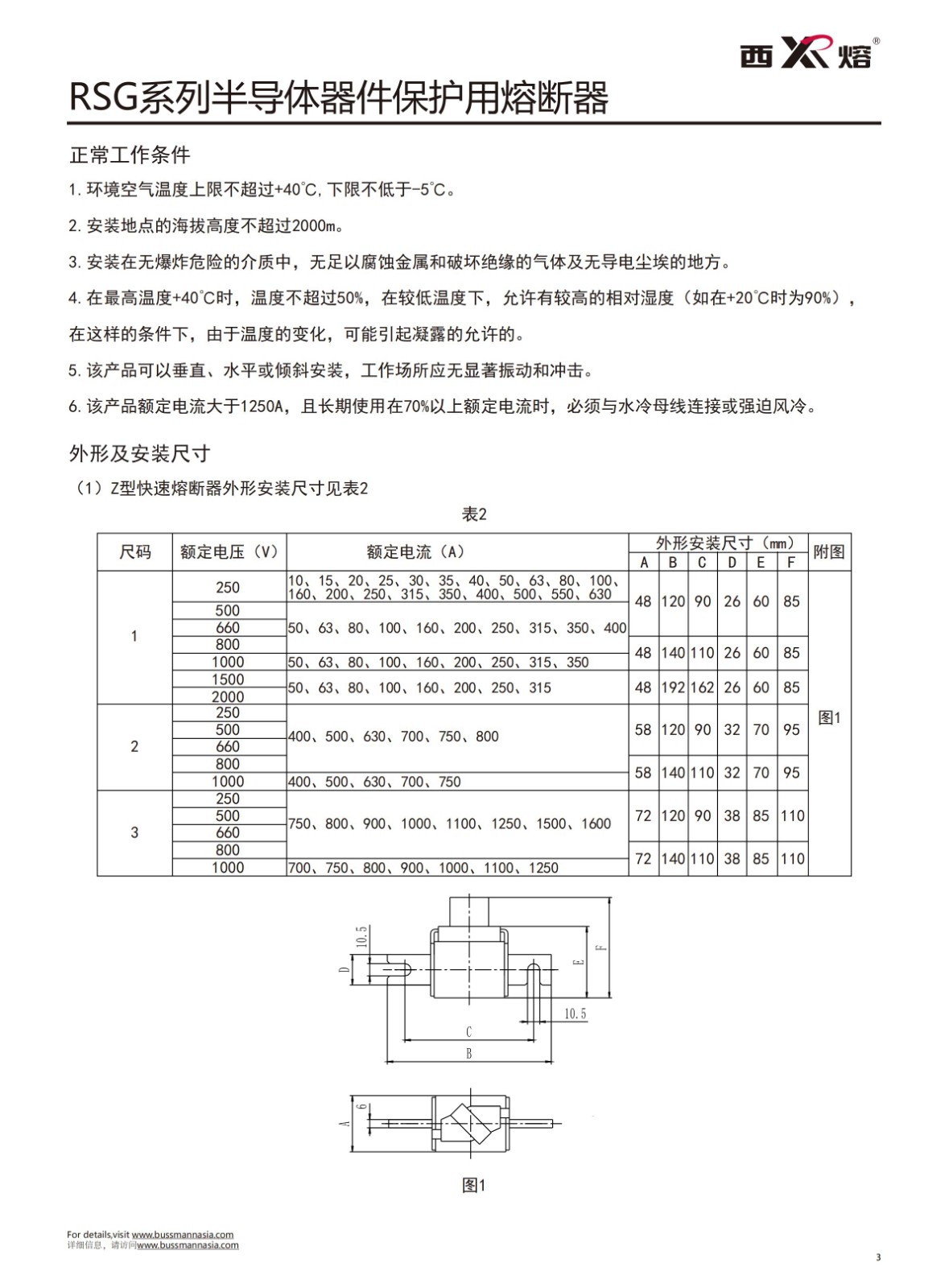
RSG系列半導體器件保護用熔斷器(以下簡稱快速熔斷器),是繼我公司RSF系列熔斷器開發成功之后,向技術性能更高,體積減小,額定容量增大新發展的又一系列產品。
該系列快速熔斷器適用于交流50HZ,額定電壓250-2000V,額定電流10-7000A的電路中,作為整流二極管,晶閘管及其由半導體器件組成的成套裝置的短路和某些不允許過電流的過載保護。
快速熔斷器額定容量大,分斷能力高、熔斷速度快、限流特性顯著、安全可靠以及帶有撞擊器使熔斷器熔斷后迅速打開微動開關,指示明顯可靠等特點。
分享至:
- 產品介紹
- 視頻中心
- 相關證書
- 樣品申請
- PDF下載

上一篇:RSG-1 500V快速熔斷器 下一篇:RSG-2 660V快速熔斷器