全國服務熱線
400-875-1500
400-875-1500
銷售熱線:13720093566

掃一掃,添加銷售經理
變壓器保護限流熔斷器SFLDJ-12KV/80A-G
常規型號:XRNP1-12/6.3-50-1;XRNP1-12KV/0.5-50KA-2;XRNP1-12KV/1A-50KA-1;XRNP6-7.2KV/0.5-50KA-1
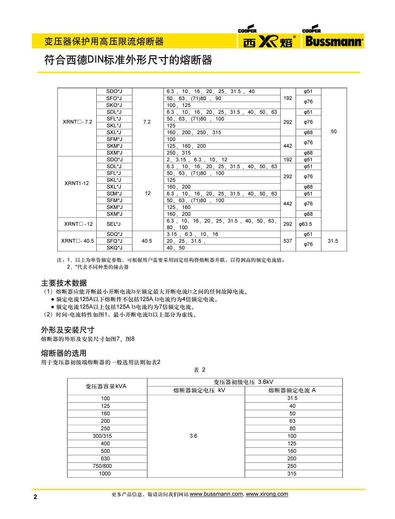
額定電流:6.3-315A
額定電壓:7.2KV;12KV;40.5KV
配套產品:負荷開關;真空接觸器等
應用:電力變壓器及其它電力設備的過載或短路保護
分享至:
- 產品介紹
- 視頻中心
- 相關證書
- 樣品申請
- PDF下載
上一篇:沒有了 下一篇:高壓限流熔斷器XRNP6-7.2KV/0.5-50KA-1